工具を使わずにワークを固定可能
SWSバイスパレット

ワイヤ放電加工機用ツーリング、SWSシリーズのバイスパレットです。
ワークスタンドに『SWSベースプレート』を設置したまま、ワークを取り付けた『SWSバイスパレット』を交換することが可能です。
これにより、高い再現性・精度で、複数のワークを加工することができ、段取り時間の⼤幅な短縮にも貢献します。
割溝付きの位置測定基準ホールを備えており、接触感知機能によってスムーズな位置決めを実現します。
また、精密加工にも対応しています。
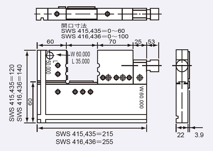
バイス・パレット

寸法

製品一覧
※ 横にスクロールしていただくと全てご覧いただけます。
| 商品番号 | 商品名 | ワークサイズ | ワーク許容積載質量 |
|---|---|---|---|
| 3100014 | SWS-415 | 0 〜 □60mm | 1.5Kg |
| 3100015 | SWS-416 | 0 〜 □100mm | 4.0Kg |
| 3100482 | SWS-435 | 0 〜 □60mm SWS-415の逆勝⼿タイプ | 1.5Kg |
| 3100481 | SWS-436 | 0 〜 □100mm SWS-416の逆勝⼿タイプ | 4.0Kg |
